=スカイライン ハードトップ センターコンソール=
スカイラインの修復の為のリプロ品もかなり充実してきた。
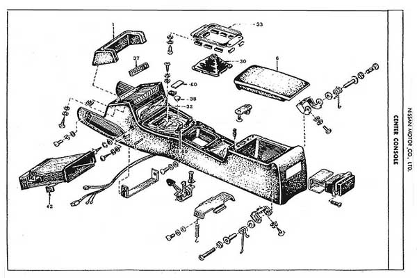
しかし まだセンターコンソール本体のリプロ品が出ていない。
周辺パーツはパーツアシストさんで充実している。
.jpg)


ただ以前コンソールケース(下映像↓)のリプロもあったと思ったが 今は取扱が見つからない。
.jpg)
.jpg)
.jpg)
中古のコンソールも加工されて削り取られていたり このパーツが付いていないものが多い。
またプラスティック製なので意外と脆く 簡単に割れる。
このコンソールケースはオークションの過去ログでは三万前後で取引されているようだ。
オークションで買ったセンターコンソールは もともとコレが欠品していて
その時メーカーに注文したら出てきたので純正を付けている。
三千円ぐらいだったかと・・・
またいつ買ったか覚えていないがコンソールリッドの新品もある。
今のスカイラインは私の手元に来て来年で二十年、

手元に来た当時の室内 コンソールも綺麗なものが付いていた。
現在装着しているセンターコンソールは 流石にややヤレ感が出てきているものの 割れも無く完品が付いている。
以前オークションで自分のモノより美品が出ていたので ちょっと無理をしてもうひとつGetしておいた。
また部品取りとなった前のスカイラインに付いていたセンターコンソールはバッキバキに割れていたが
オークションにジャンクとして出したが 思いの他高値で落札されたのに驚いた。
過去ログを見ても↓画像のような美品はなかなかお目に掛かれないようだ。
.jpg)
.jpg)
ココに貴重な新品の画像がある。
.jpg)
.jpg)
.jpg)
------------------------------------------------------------

スカイラインの純正シフトブーツは合皮で腰が無いので上映像↑のように下に沈んで来る。
サニトラも似たようなつくりで 例に漏れず汚くボロボロ
そこに埃やゴミが溜まって汚く見えるのが嫌で下映像↓のようなブーツを付けた。
.jpg)
.jpg)
世間で認知度があるのがオートルック 中古がこの値段
.jpg)
私のは良く似ているがオートルックではない。

S130Zの純正ブーツなのだ。
流石純正品 ヤレ・ヒビも無く しっかりしていて耐ちが良い。
取り付けも本体に加工することも無く綺麗に付ける事が出来た。
ちなみに最近のセンターコンソールのオークションでの落札額を紹介しておこう。
.jpg)
流石に新品未使用はこの値段
コレは別格
------------ Icing
on the cake -----------

この画像も入手間も無い頃で ドアの内張りもGTのまま シートも・・・
ハンドルにはDATSUN compeが付いていた。
□部分にメイン電源スイッチとセルスターターボタンを設置 まだ配線を繋いでないが・・・
=END=